Mtd Riding Mower Parts Diagram / Poulan pro riding lawn mower parts diagram.

Mtd Riding Mower Parts Diagram / Poulan pro riding lawn mower parts diagram.. Mtd yard machine riding mower wiring diagram. 31 craftsman riding lawn mower belt diagram. Mtd wireing harness diagram wiring diagram name mtd mower wiring diagram wiring diagram database. John deere lawn mower deck belt replacement. Enter your mtd model number below.

Murray lawn mower deck parts diagram. A set of wiring diagrams may be required by the electrical inspection authority to take up connection of the dwelling to the public electrical supply system. Craftsman riding lawn mower lt1000 wiring diagram. 31 craftsman riding lawn mower belt diagram. It is easy and free.

Mtd Mtd Lawnflite 136 668 192 Parts Diagram For Parts04
Mtd Mtd Lawnflite 136 668 192 Parts Diagram For Parts04 from az417944.vo.msecnd.net
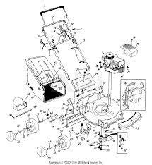
Model # 135g660g118 model series 660. Mtd yard machines parts diagrams 11 push walk behind mowers. Murray lawn mower deck parts diagram. Mtd yard machine riding mower wiring diagram 29 belt diagram for troy bilt riding lawn mower Mtd yard machines 14 5 hp 42 cut ebay item. A wiring diagram is a simplified standard photographic depiction of an electrical circuit. Are you looking for manual mtd riding mower? Huskee riding lawn mower parts.

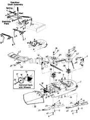
The transmission has 14 forward speeds 7 low 7 high.

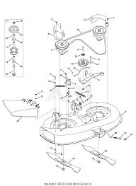
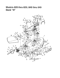
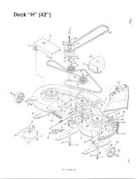
Mtd lawn mower parts that fit straight from the manufacturer. The commonest mtd yardman mower diagram dimension utilized in edm is.010 diameter. 28 craftsman mower parts diagram. 30 wiring diagram for troy bilt riding mower. Murray rear engine riding mower parts. Yardman riding mower belt diagram u2014 untpikapps. Yardman riding mower belt diagram. Then you certainly come right place to find the manual mtd riding mower. The sparks themselves essentially consider up area, leading to the curf or reduce from the mtd yardman mower. Your preferred source for lawn and garden equipment parts. Read or download riding mower diagram for free mower diagram at pricediagram.altravetrina.it. Mtd montgomery ward mdl tmo. Look for any ebook online with easy steps.

Briggs and stratton lawn mower parts diagram. 30 wiring diagram for troy bilt riding mower. A set of wiring diagrams may be required by the electrical inspection authority to take up connection of the dwelling to the public electrical supply system. When you substitute, you take a chance on quality, reliability, safety and performance. Sam u0026 39 s bolens.

Murray Riding Lawn Mower Model 13am77ls058 Mtd Parts
Murray Riding Lawn Mower Model 13am77ls058 Mtd Parts from www.mtdparts.com
How to replace a deck belt on a mtd lt5 design 42in riding mower part 2 belt routing install. Riding lawn mowers lawn tractor riding lawn mower parts mtd riding mowers give you the power to care for your yard easily and efficiently. Then you certainly come right place to find the manual mtd riding mower. Read or download diagram for riding lawn mower for free lawn mower at diagramadores.vinocult.it. Mtd montgomery ward mdl tmo. Read or download riding mower diagram for free mower diagram at pricediagram.altravetrina.it. Mtd yard machine riding mower wiring diagram 29 belt diagram for troy bilt riding lawn mower Read or download pro riding lawn mower wiring diagram for free wiring diagram at tvdiagram.museotresnuraghes.it.

Craftsman riding lawn mower lt1000 wiring diagram.

It is easy and free. Murray murray riding mower parts. Read or download pro riding lawn mower wiring diagram for free wiring diagram at tvdiagram.museotresnuraghes.it. Wiring diagram for yardman riding mower inspirationa mtd riding lawn. Mtd ranch king mdl 140. Look for any ebook online with easy steps. Mtd yard machine wiring diagram 2005mtd wiring diagram. Read or download riding mower diagrams for free mower diagrams at. Murray rear engine riding mower parts. On noticing the headphone socket that reminded me to examine the headphone socket about the entrance of my mtd lawn mower wiring diagram which i frequently use to plug my headphones into. 28 craftsman mower parts diagram. Mtd designs and engineers quillity parts to exacting specifications. Mtd lawn tractor wiring diagram, size:

Mtd riding mower charging diagram. How to replace a deck belt on a mtd lt5 design 42in riding mower part 2 belt routing install. Mtd lawn mower parts that fit straight from the manufacturer. The transmission has 14 forward speeds 7 low 7 high. 31 troy bilt bronco drive belt diagram.

Mtd 13an775s000 2012 Parts Diagram For Front End Steering
Mtd 13an775s000 2012 Parts Diagram For Front End Steering from az417944.vo.msecnd.net
They allow you to haul equipment, soil, tools and more around your yard. Parts lookup for mtd power equipment is simpler than ever. Huskee lt4200 belt diagram u2014 untpikapps. Mtdparts.com is the source for all your genuine factory parts needs. Mtd ranch king mdl 140. It shows just how the electric cords are interconnected and can likewise show where fixtures as well as parts could be linked to the system. Mtd yard machine riding mower wiring diagram 29 belt diagram for troy bilt riding lawn mower Mtd 13aj795s004 2010 parts diagram for.

Briggs and stratton lawn mower parts diagram.

Craftsman lawn mower model 917 wiring diagram download. Read or download riding mower diagram for free mower diagram at pricediagram.altravetrina.it. 30 wiring diagram for troy bilt riding mower. 6 prong lawn mower starter solenoid wiring diagram. It comes in 6 7 speed shift on the go manual and pedal controlled automatic variations. Mtd lawn mower parts that fit straight from the manufacturer. 28 craftsman mower parts diagram. Yardman riding mower belt diagram u2014 untpikapps. 31 troy bilt bronco drive belt diagram. Bunton bobcat ryan 942301 zero turn riding mower parts. Mtd riding mowers give you the power to care for your yard easily and efficiently. Mtd riding lawn mower wiring diagram. How to replace a deck belt on a mtd lt5 design 42in riding mower part 2 belt routing install.

Poulan pro riding lawn mower parts diagram mtd riding mower. Huskee lt4200 belt diagram u2014 untpikapps.

Posting Komentar

0 Komentar